欢迎来到无锡市瑞和精密机件厂的官方网站!
直线导轨,活塞杆,直线轴,精密细长轴 联系我们 设为主页

产品中心

联系方式

地址:江苏省无锡市胡埭镇龙延村工业园
业务部:朱经理 13901515620
网址:http://www.wxruihe.com
Email:sales@wxruihe.com
GD-MT系列微型滚珠丝杠

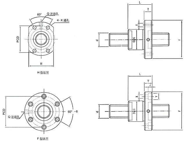
规格型号
外径d
导程I
钢珠径φ
轴向钢性
基本额定荷重(kgf)
螺母尺寸
安装孔尺寸
注油孔
Kgf/μm
动额定负荷Ca
静额定负荷Coa
外径D
法兰径F
螺母长度L
法兰厚度T
安装孔距PCD
法兰宽度H
X
Y
Z
Q
GD0802-3H
8
2
1.200
14.5
91
186
16
29
36
4
23
20
3.4



GD1002-3H
10
2
1.200
18
125
255
18
25
29
5
27
22
4.5



GD1204-3H
12
4
2.381
21
135
325
24
40
28
6
32
25
4.5



GD1204-3F
12
4
2.381
21
135
325
24
46
32
10
32

4.5
8
4.5
M6×1

注:1、以上表格中标注的规格中备库的只有GD1204-3H型法兰形式,其他型号用户需提前订购。

         2、表中标注的GD0802规格和GD1002规格的螺母法兰只有H型法兰形式。

上一页:GD-st系列双螺母滚珠丝杠
下一页:滚珠丝杠分类
    
注:查看详细数据请打印下载或在PC端浏览!
快速导航: 主页 企业概况 新闻动态 产品展示 技术装备 资质证书 人才招聘 在线留言 联系我们
Copyright © 2018 无锡市瑞和精密机件厂 All Rights Reserved. 地址:江苏省无锡市胡埭镇龙延村工业园  业务部: 朱经理 13901515620 Http://www.wxruihe.com E-mail:sales@wxruihe.com
苏ICP备05008084号-1 网站建设:君通科技